Ich muß mal wieder etwas von der Bundeswehr bauen. Da kommt mir 25 Jahre KFOR gerade recht. Dieser Fuchs ist mir mal in der Bucht für fünf Euro ins Netz geschwommen. Da konnte man nicht nein sagen.
Diese Version soll es werden.
.
.
Entgegen dem Bauplan habe ich Ober und Unterseite zuerst zusammen geklebt. Das hat den Vorteil wenn die Seiten nicht so richtig zusammenpassen kann man sie leichter zwingen. Man muß keine Angst um abbrechender Kleinteile haben.
.
.
Die Rückwand zwei und die Teile sieben und acht habe ich auch zuerst an die Unterwanne geklebt. Man kann sie da besser positionieren.
.
Fertig<< KFOR Fuchs Revell 1:35
- Hans
- Beiträge: 2525
- Registriert: Fr 28. Aug 2020, 14:03
- Wohnort: Lippe
- Has thanked: 38 times
- Been thanked: 69 times
Mist man sollte das Kleingedruckte lesen. Aber der 10 to von Revell war auch bei der KFOR, habe die Abziehbilder noch.
Die neuere Bundeswehr ( seit sie bunt wurde
) ist nicht so richtig mein Gebiet.
Die neuere Bundeswehr ( seit sie bunt wurde
.
Chacun à son goût
- Hans
- Beiträge: 2525
- Registriert: Fr 28. Aug 2020, 14:03
- Wohnort: Lippe
- Has thanked: 38 times
- Been thanked: 69 times
Es geht weiter mit ein wenig Spachtelarbeit.
. .
An Klebestellen und Sinkspuren vorn.
. .
Ich bin dann mit dem Fahrgestell angefangen. Die Federn Teile 89 und die Dämpfer Teile 90/91 werden erst direkt vor der Klebung der entsprechender Achse an der Wanne verklebt.
. .
Der Schraubenantrieb und die Starachse hinten.
. .
Die Räder sollen etwas eingelenkt stehen. Hierzu beginnt man mit einem Achsschenkel z.B. Teil 84 indem man ihn etwas schräg einklebt. Dann Teil 95 mit Teil 94 ausrichten, Teil 96 mit Teil 93 usw. bis zum Achsschenkel 85.
.
. .
An Klebestellen und Sinkspuren vorn.
. .
Ich bin dann mit dem Fahrgestell angefangen. Die Federn Teile 89 und die Dämpfer Teile 90/91 werden erst direkt vor der Klebung der entsprechender Achse an der Wanne verklebt.
. .
Der Schraubenantrieb und die Starachse hinten.
. .
Die Räder sollen etwas eingelenkt stehen. Hierzu beginnt man mit einem Achsschenkel z.B. Teil 84 indem man ihn etwas schräg einklebt. Dann Teil 95 mit Teil 94 ausrichten, Teil 96 mit Teil 93 usw. bis zum Achsschenkel 85.
.
.
Chacun à son goût
-
Revell-Bert
- Beiträge: 4744
- Registriert: Di 13. Aug 2019, 18:45
- Wohnort: Kronach/BY
- Has thanked: 204 times
- Been thanked: 195 times
viewtopic.php?t=8053 hier kurz mein 1:72er...
Da habe ich die Räder "lenkbar" gemacht. Nicht sehr schön und professionell, aber funktionell
Da habe ich die Räder "lenkbar" gemacht. Nicht sehr schön und professionell, aber funktionell
Zuletzt geändert von Revell-Bert am Fr 2. Feb 2024, 21:34, insgesamt 1-mal geändert.
Ich mag keine Menschen, die überall suchen, was sie stört...
Ich mag Menschen, die überall etwas finden, was sie fasziniert
Gruß der Bert
Ich mag Menschen, die überall etwas finden, was sie fasziniert
Gruß der Bert
- Hans
- Beiträge: 2525
- Registriert: Fr 28. Aug 2020, 14:03
- Wohnort: Lippe
- Has thanked: 38 times
- Been thanked: 69 times
Dann wird die komplette mittlere Achse eingeklebt. Die vordere Achse wird ohne die Teile 100 / 101 eingeklebt. Das Teil 102 wird nur lose eingesteckt. Hier ist es von Vorteil das die Passlöcher alle ein wenig zu klein sind. Für leicht Montage bohrt man etwas größer und für Steckverbindung etwas kleiner, das es klemmt.
. .
Dann kann man mit den Teilen 97, 98 und 99 das Teil 102 in die richtige Position bringen. Nun noch Teil100 einkleben, das Teil 101 erst nach dem Anbau des Rad. Und das Fahrgestell ist fertig. Man ( ich ) muß manchmal etwas Zwang anwenden und da ist es von Vorteil wenn die Kleinteile noch nicht verklebt sind. In dem Neueren Bauplan vom Fuchs wird Ober und Unterteil schon im Bauabschnitt zwei verklebt.
. .
. .
Dann kann man mit den Teilen 97, 98 und 99 das Teil 102 in die richtige Position bringen. Nun noch Teil100 einkleben, das Teil 101 erst nach dem Anbau des Rad. Und das Fahrgestell ist fertig. Man ( ich ) muß manchmal etwas Zwang anwenden und da ist es von Vorteil wenn die Kleinteile noch nicht verklebt sind. In dem Neueren Bauplan vom Fuchs wird Ober und Unterteil schon im Bauabschnitt zwei verklebt.
. .
.
Chacun à son goût
- Hans
- Beiträge: 2525
- Registriert: Fr 28. Aug 2020, 14:03
- Wohnort: Lippe
- Has thanked: 38 times
- Been thanked: 69 times
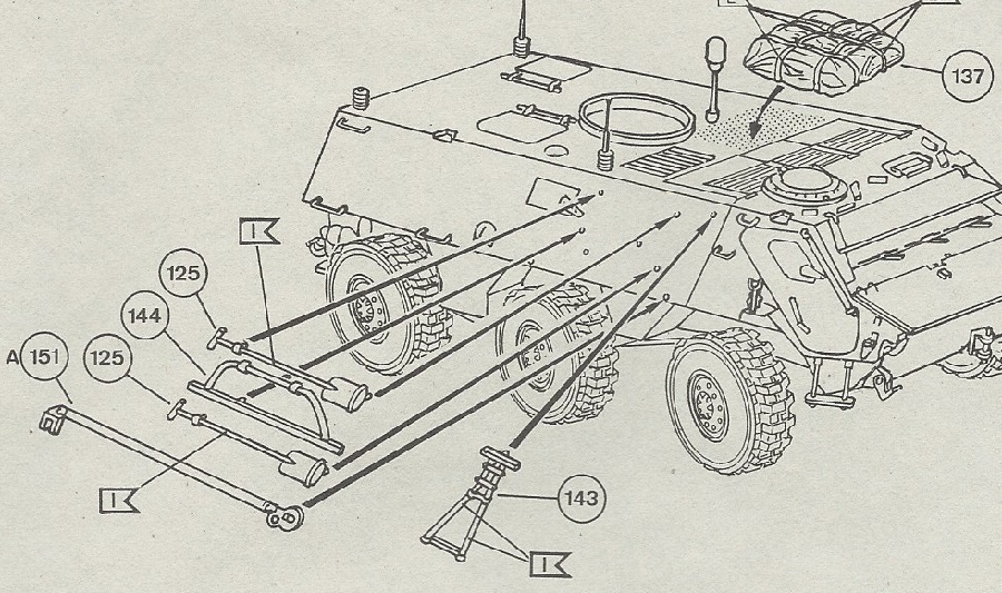
Weiter geht es nun mit dem Anbau der Kleinteile. Hier hält Revell noch einige Überraschungen parat. Die Erste, im Bauplan zeigen die Löcher für die Nebelwerfer nach vorn.
. .
Am Modell nach hinten.
. .
Der Blinker ist im Bauplan auf dem Kopf gedreht. Und wie Viktor schon sagte der Türgriff falsch gezeichnet. Die Nummer ist aber richtig.
. . .
Und auch die Sinkstellen halten sich im Rahmen hier der Auspuffkrümmer.
.
Bei den Werkzeuge auf der rechten Seite sind Schüppe und Säge vertauscht. Die Abschleppstange gehört auch weiter nach oben.
. .
Alte Löcher zuspachteln.
. .
Und richtige Reinfolge.
. .
Hinten rechts beim Werkzeug fehlt bei den Schüppen die vordere Halterung.
. .
Auf der linken Seite, hinten oben fehlt der Haltebügel als Teil, die Klebelöcher sind da.
. .
Und fertig zum Lackieren. Rückspiegel usw. klebe ich erst nach der Lackierung an, Bruchgefahr.
. . . .
. .
Am Modell nach hinten.
. .
Der Blinker ist im Bauplan auf dem Kopf gedreht. Und wie Viktor schon sagte der Türgriff falsch gezeichnet. Die Nummer ist aber richtig.
. . .
Und auch die Sinkstellen halten sich im Rahmen hier der Auspuffkrümmer.
.
Bei den Werkzeuge auf der rechten Seite sind Schüppe und Säge vertauscht. Die Abschleppstange gehört auch weiter nach oben.
. .
Alte Löcher zuspachteln.
. .
Und richtige Reinfolge.
. .
Hinten rechts beim Werkzeug fehlt bei den Schüppen die vordere Halterung.
. .
Auf der linken Seite, hinten oben fehlt der Haltebügel als Teil, die Klebelöcher sind da.
. .
Und fertig zum Lackieren. Rückspiegel usw. klebe ich erst nach der Lackierung an, Bruchgefahr.
. . . .
.
Chacun à son goût
- Simitian
- Beiträge: 5009
- Registriert: So 7. Okt 2018, 19:02
- Wohnort: Wesermarsch
- Has thanked: 6 times
- Been thanked: 37 times
Moin Hans,
du legst ja ein Tempo vor
MfG
Jan
du legst ja ein Tempo vor
MfG
Jan
Derzeitiges Projekt: Titanic in 1:570 von Revell.
Aus Prinzip, finden die Bemalungen meiner Modelle nur mit Pinsel statt.
Jan's Modellbau- Portfolio

Aus Prinzip, finden die Bemalungen meiner Modelle nur mit Pinsel statt.
Jan's Modellbau- Portfolio
-
Revell-Bert
- Beiträge: 4744
- Registriert: Di 13. Aug 2019, 18:45
- Wohnort: Kronach/BY
- Has thanked: 204 times
- Been thanked: 195 times
...es geht voran...
Ich mag keine Menschen, die überall suchen, was sie stört...
Ich mag Menschen, die überall etwas finden, was sie fasziniert
Gruß der Bert
Ich mag Menschen, die überall etwas finden, was sie fasziniert
Gruß der Bert
- Hans
- Beiträge: 2525
- Registriert: Fr 28. Aug 2020, 14:03
- Wohnort: Lippe
- Has thanked: 38 times
- Been thanked: 69 times
Ja Bert
Letzte Woche in Holzminden, BW Tag und Modellausstellung. Der Fuchs in 1:1
. Man beachte die leicht silbernen Abziehbilder
. . .
Und auch bei dem Kleinen geht es weiter Bronzegrün und die andere Farbe soll Teerschwarz sein. In Wirklichkeit natürlich, aber der Fotoapparat sieht es etwas anders.
.
Zuletzt geändert von Hans am Do 30. Mai 2024, 10:31, insgesamt 1-mal geändert.
.
Chacun à son goût
-
Revell-Bert
- Beiträge: 4744
- Registriert: Di 13. Aug 2019, 18:45
- Wohnort: Kronach/BY
- Has thanked: 204 times
- Been thanked: 195 times
Bein ersten Bild vom 1:1 silbert das Decal, ich fasse es nicht

Ich mag keine Menschen, die überall suchen, was sie stört...
Ich mag Menschen, die überall etwas finden, was sie fasziniert
Gruß der Bert
Ich mag Menschen, die überall etwas finden, was sie fasziniert
Gruß der Bert
-
IchBaueAuchModelle
- Moderator (Revell)
- Beiträge: 5795
- Registriert: Mi 9. Apr 2014, 10:41
- Wohnort: SU
- Has thanked: 207 times
- Been thanked: 77 times
- Kontaktdaten:
Das silberne nicht. Das ist sicherlich eine Reflexion. Die Kreuze sind geklebt. Inklusive den schwarzen Anteilen.
- Hans
- Beiträge: 2525
- Registriert: Fr 28. Aug 2020, 14:03
- Wohnort: Lippe
- Has thanked: 38 times
- Been thanked: 69 times
Du gönnst uns unser Schadensfreude wohl nicht!!IchBaueAuchModelle hat geschrieben: So 2. Jun 2024, 17:12 Das silberne nicht. Das ist sicherlich eine Reflexion. Die Kreuze sind geklebt. Inklusive den schwarzen Anteilen.
.
Chacun à son goût

